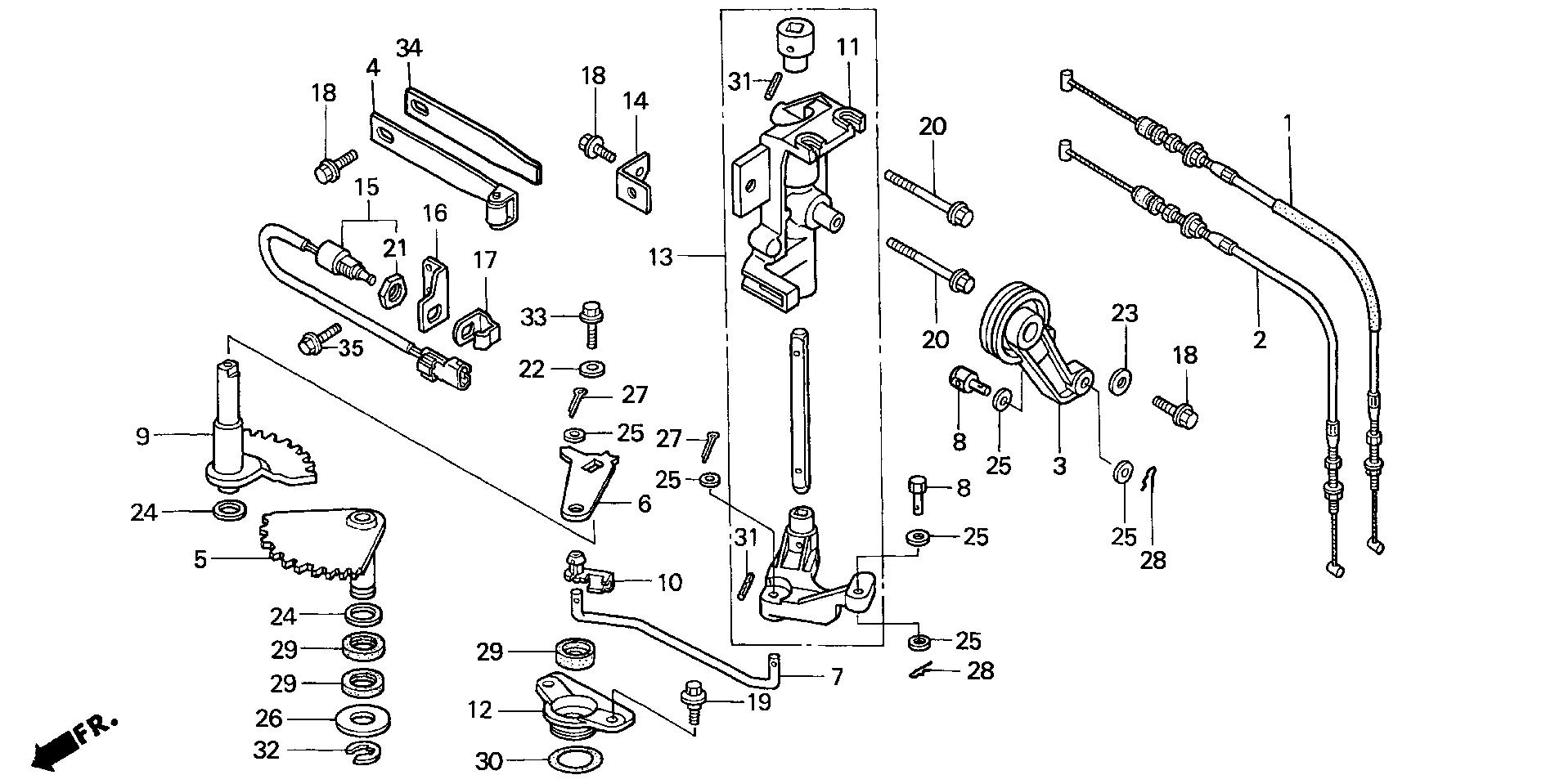
Mid - Large Outboard Engines (25 - 250hp) BF BF130 BF130AY XCA BZBH-1100001-1199999 SHIFT SHAFT - Abel's Marine

Ref No
Part Number
Description
Serial Range
Qty
Price

Ref No
1
Part Number
17910-ZW5-003
Description
CABLE A, THROTTLE
Serial Range
1000001 - 9999999
Qty
Price
$27.98

Ref No
2
Part Number
17920-ZW5-003
Description
CABLE B, THROTTLE
Serial Range
1000001 - 9999999
Qty
Price
$27.98

Ref No
3
Part Number
17931-ZW5-000
Description
ARM, THROTTLE
Serial Range
1000001 - 9999999
Qty
Price
$28.10

Ref No
4
Part Number
24210-ZW1-000
Description
SPRING, CLICK
Serial Range
1000001 - 9999999

Ref No
4
Part Number
24210-ZW1-010
Description
SPRING, CLICK
Serial Range
1000001 - 9999999
Qty
Price
$13.32

Ref No
5
Part Number
24610-ZW5-010
Description
SHAFT, SHIFT (A)
Serial Range
1000001 - 9999999
Qty
Price
$120.28

Ref No
6
Part Number
24612-ZW5-000
Description
ARM, SHIFT
Serial Range
1000001 - 9999999

Ref No
7
Part Number
24613-ZW5-000
Description
ROD, LINK
Serial Range
1200291 - 9999999
Qty
Price
$25.40

Ref No
8
Part Number
24618-ZV5-000
Description
PIVOT, SHIFT
Serial Range
1000001 - 9999999
Qty
Price
$18.68

Ref No
9
Part Number
24620-ZW5-000
Description
SHAFT, SHIFT (B)
Serial Range
1000001 - 9999999
Qty
Price
$116.16

Ref No
10
Part Number
24621-ZW5-000
Description
BUSH, SHAFT
Serial Range
1000001 - 9999999
Qty
Price
$16.50

Ref No
11
Part Number
24628-ZW5-000
Description
BRACKET, SHIFT LINK
Serial Range
1000001 - 9999999
Qty
Price
$76.32

Ref No
12
Part Number
24629-ZW1-000
Description
HOLDER, SEAL
Serial Range
1000001 - 9999999
Qty
Price
$28.44

Ref No
13
Part Number
24630-ZW5-000
Description
LINK, SHIFT
Serial Range
1000001 - 9999999

Ref No
14
Part Number
32115-ZW5-000
Description
BRACKET, CLIP (D)
Serial Range
1000001 - 9999999

Ref No
14
Part Number
32115-ZW5-010
Description
BRACKET, CLIP (D)
Serial Range
1000001 - 9999999
Qty
Price
$5.20

Ref No
15
Part Number
04302-ZW5-010
Description
SWITCH ASSY., NEUTRAL
Serial Range
1000001 - 9999999

Ref No
16
Part Number
35476-ZW1-010
Description
BRACKET, NEUTRAL SWITCH
Serial Range
1000001 - 9999999
Qty
Price
$14.20

Ref No
17
Part Number
35618-ZV5-000
Description
PLATE, NEUTRAL SWITCH
Serial Range
1000001 - 9999999

Ref No
17
Part Number
35618-ZW9-010
Description
PLATE, NEUTRAL SWITCH
Serial Range
1000001 - 9999999

Ref No
18
Part Number
90013-ZV0-010
Description
BOLT, FLANGE (6X12) (CT200)
Serial Range
1000001 - 9999999
Qty
Price
$2.38

Ref No
18
Part Number
90013-ZV0-010
Description
BOLT, FLANGE (6X12) (CT200)
Serial Range
1200291 - 9999999
Qty
Price
$2.38

Ref No
19
Part Number
90108-HE0-000
Description
BOLT, FLANGE (6MM)
Serial Range
1000001 - 9999999

Ref No
20
Part Number
90125-ZV1-010
Description
BOLT, FLANGE (6X42)
Serial Range
1302603 - 9999999
Qty
Price
$2.48

Ref No
21
Part Number
90302-ZV5-003
Description
NUT, HEX. (20MM)
Serial Range
1302603 - 9999999
Qty
Price
$7.00

Ref No
22
Part Number
90406-KV3-780
Description
WASHER (6MM)
Serial Range
1000001 - 9999999
Qty
Price
$2.96

Ref No
23
Part Number
90403-ZW1-000
Description
WASHER, PLAIN (6MM)
Serial Range
1000001 - 9999999
Qty
Price
$2.28

Ref No
24
Part Number
90501-ZW5-000
Description
WASHER, SHIFT SHAFT
Serial Range
1000001 - 9999999
Qty
Price
$9.74

Ref No
25
Part Number
90504-921-010
Description
WASHER, PLAIN (6MM)
Serial Range
1000001 - 9999999
Qty
Price
$1.68

Ref No
26
Part Number
90508-ZV7-000
Description
WASHER
Serial Range
1000001 - 9999999
Qty
Price
$8.78

Ref No
27
Part Number
90759-ZV1-000
Description
PIN, SPLIT (2.0)
Serial Range
1000001 - 9999999
Qty
Price
$1.88

Ref No
28
Part Number
90765-ZW1-000
Description
PIN, LOCK SPECIAL (6MM)
Serial Range
1000001 - 9999999
Qty
Price
$2.80

Ref No
29
Part Number
91251-ZW5-003
Description
OIL SEAL (14X26X6)
Serial Range
1000001 - 9999999

Ref No
30
Part Number
91302-PF0-003
Description
O-RING (26.9X2.4) (NOK)
Serial Range
1000001 - 9999999
Qty
Price
$4.18

Ref No
31
Part Number
94305-30183
Description
PIN, SPRING (3X18)
Serial Range
1000001 - 9999999
Qty
Price
$2.12

Ref No
32
Part Number
94540-12029
Description
E-RING (12MM)
Serial Range
1000001 - 9999999
Qty
Price
$10.66

Ref No
33
Part Number
95701-06012-02
Description
BOLT, FLANGE (6X12)
Serial Range
1000001 - 9999999
Qty
Price
$2.56

Ref No
35
Part Number
90013-ZV0-010
Description
BOLT, FLANGE (6X12) (CT200)
Serial Range
1000001 - 9999999
Qty
Price
$2.38

Ref No
35
Part Number
90013-ZV0-010
Description
BOLT, FLANGE (6X12) (CT200)
Serial Range
1200291 - 9999999
Qty
Price
$2.38